YRT系列轴承是采用螺栓安装固定的径向引导双向推力轴承。这种即装即用预填润滑脂的轴承具有非常高的刚度、承载能力和运转精度。可以承受径向载荷、双向轴向载荷以及倾覆力矩,并且有预载荷。
YRT系列 转台轴承
YRT系列轴承是采用螺栓安装固定的径向引导双向推力轴承。
这种即装即用预填润滑脂的轴承具有非常高的刚度、承载能力和运转精度。可以承受径向载荷、双向轴向载荷以及倾覆力矩,并且有预载荷。
YRT轴承根据应用场合分成YRT、RTC、YRTS多个系列。
对于低速、短运转周期的应用场合,如分度工作台及回转铣头等,适合选用YRT系列。
对于需要相对较低摩擦和相对高速的场合,RTC系列比较适合。
对于更高精度的要求,也提供轴向跳动公差更严格的这类轴承。YRTS系列最适合。它的极限转速更高,并且整个转速范围内的摩擦力矩很低并且均匀,尤其适合布置在电机直接驱动的轴上,与力矩电机一起使用。
|
|
|
|
|
|
|
|
|
|
|
|
|
单位:mm |
|
|
型号 |
外形尺寸 |
内圈安装孔 |
|||||||||||
|
d |
D |
H |
H1 |
H2 |
C |
D1 |
J |
J1 |
d1 |
d2 |
a |
数量 |
|
|
YRT50 |
50 |
126 |
30 |
20 |
10 |
10 |
105 |
63 |
116 |
5.6 |
9 |
4.2 |
10 |
|
YRT80 |
80 |
146 |
35 |
23.35 |
11.65 |
12 |
130 |
92 |
138 |
5.6 |
10 |
4.2 |
10 |
|
YRT100 |
100 |
185 |
38 |
25 |
13 |
12 |
160 |
112 |
170 |
5.6 |
10 |
5.4 |
16 |
|
YRT120 |
120 |
210 |
40 |
26 |
14 |
12 |
184 |
135 |
195 |
7 |
11 |
6.2 |
22 |
|
YRT150 |
150 |
240 |
40 |
26 |
14 |
12 |
214 |
165 |
225 |
7 |
11 |
6.2 |
34 |
|
YRT180 |
180 |
280 |
43 |
29 |
14 |
15 |
244 |
194 |
260 |
7 |
11 |
6.2 |
46 |
|
YRT200 |
200 |
300 |
45 |
30 |
15 |
15 |
274 |
215 |
285 |
7 |
11 |
6.2 |
46 |
|
YRT260 |
260 |
385 |
55 |
36.5 |
18.5 |
18 |
345 |
280 |
365 |
9.3 |
15 |
8.2 |
34 |
|
YRT325 |
325 |
450 |
60 |
40 |
20 |
20 |
415 |
342 |
430 |
9.3 |
15 |
8.2 |
34 |
|
YRT395 |
395 |
525 |
65 |
42.5 |
22.5 |
20 |
486 |
415 |
505 |
9.3 |
15 |
8.2 |
46 |
|
YRT460 |
460 |
600 |
70 |
46 |
24 |
22 |
560 |
482 |
580 |
9.3 |
15 |
8.2 |
46 |
|
YRT580 |
580 |
750 |
90 |
60 |
30 |
30 |
700 |
610 |
720 |
11.4 |
18 |
11 |
46 |
|
YRT650 |
650 |
870 |
122 |
78 |
44 |
34 |
800 |
680 |
830 |
14 |
20 |
13 |
45 |
|
YRT850 |
850 |
1095 |
124 |
80.5 |
43.5 |
37 |
1018 |
890 |
1055 |
18.5 |
26 |
17 |
57 |
|
YRT950 |
950 |
1200 |
132 |
86 |
52.5 |
40 |
1130 |
990 |
1160 |
18.5 |
26 |
17 |
57 |
|
YRT1030 |
1030 |
1300 |
145 |
92.5 |
56 |
40 |
1215 |
1075 |
1255 |
18.5 |
26 |
17 |
66 |
|
|
|
|
|
|
|
|
|
|
|
单位:mm |
|
|
外圈安装孔 |
圆周等分数 |
内圈连结螺钉数量 |
外圈吊装/推卸孔 |
螺栓拧 |
基本额定载荷(kN) |
型号 |
|||||
|
轴向 |
径向 |
||||||||||
|
d3 |
数量 |
数量X角度t |
G |
数量 |
MA |
Ca |
Coa |
Cr |
Cor |
||
|
5.6 |
12 |
12X30° |
2 |
– |
– |
8.5 |
38 |
158 |
28.5 |
49.5 |
YRT50 |
|
4.6 |
12 |
12X30° |
2 |
– |
– |
8.5 |
56 |
256 |
42.5 |
100 |
YRT80 |
|
5.6 |
15 |
18X20° |
2 |
M5 |
3 |
8.5 |
76.5 |
415 |
47.5 |
120 |
YRT100 |
|
7 |
21 |
24X15° |
2 |
M8 |
3 |
14 |
102 |
540 |
52 |
143 |
YRT120 |
|
7 |
33 |
36X10° |
2 |
M8 |
3 |
14 |
112 |
630 |
56 |
170 |
YRT150 |
|
7 |
45 |
48X7.5° |
2 |
M8 |
3 |
14 |
118 |
710 |
69.5 |
200 |
YRT180 |
|
7 |
45 |
48X7.5° |
2 |
M8 |
3 |
14 |
120 |
765 |
81.5 |
220 |
YRT200 |
|
9.3 |
33 |
36X10° |
2 |
M12 |
3 |
34 |
160 |
1060 |
93 |
290 |
YRT260 |
|
9.3 |
33 |
36X10° |
2 |
M12 |
3 |
34 |
275 |
1930 |
120 |
345 |
YRT325 |
|
9.3 |
45 |
48X7.5° |
2 |
M12 |
3 |
34 |
300 |
2280 |
186 |
655 |
YRT395 |
|
9.3 |
45 |
48X7.5° |
2 |
M12 |
3 |
34 |
355 |
2800 |
200 |
765 |
YRT460 |
|
11.4 |
42 |
48X7.5° |
2 |
M12 |
6 |
68 |
490 |
4250 |
228 |
965 |
YRT580 |
|
14 |
42 |
48X7.5° |
2 |
M12 |
6 |
116 |
870 |
7400 |
430 |
1700 |
YRT650 |
|
18.5 |
54 |
60X6° |
3 |
M16 |
6 |
284 |
1000 |
10010 |
455 |
1800 |
YRT850 |
|
18.5 |
54 |
60X6° |
3 |
M16 |
6 |
284 |
1290 |
11400 |
530 |
2040 |
YRT950 |
|
18.5 |
66 |
72X5° |
6 |
M16 |
6 |
284 |
1380 |
12000 |
620 |
2650 |
YRT1030 |
特性
YRT、RTC 和YRTS是即装即用的高精度轴承,用于高精度且有联合载荷的场合。可以承受径向载荷、双向轴向载荷以及倾覆力矩,
零游隙或负游隙,特别适于需较高运转精度的轴承布置,如回转台、花盘、铣床头和可逆夹具。.
轴承套圈上有安装孔,安装简单。
安装后,轴承为负游隙,轴承轴向和径向有一定预载。
不同系列同尺寸规格的轴承,其安装尺寸相同,(例如YRT150和ZKLDF150的安装尺寸相同)。
结构
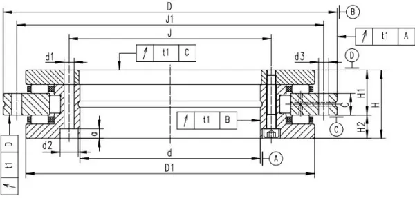
YRT、RTC和YRTS转台轴承具有轴向组件和径向组件。
轴向部分包括一个推力滚针或圆柱滚子与保持架组件、一个外圈、一个L形内圈以及第二内圈。
径向部分是满装滚子(YRT, RTC) 或者保持架引导的、预载的圆柱滚子组件。外圈、L形内圈和第二内圈都有安装孔。
YRT、RTC和YRTS轴承通过连接螺栓固定,保证安装运输和搬运。
密封
YRT、RTC和YRTS转台轴承没有密封。
润滑
YRT、RTC和YRTS转台轴承使用符合GA08的锂基复合皂润滑脂Arcanol MULTITOP润滑。
YRT、RTC 和YRTS转台轴承可以通过L-形内圈和外圈补充润滑脂。
补充润滑脂的数量和间隔应根据轴承实际的载荷情况(速度、载荷、运转持续时间)和环境条件进行计算,具体可与我们联系。
工作温度
YRT、RTC和YRTS转台轴承适用的温度范围为-30 °C到+120 °C。
设计与安全指南基本额定寿命
必须校核径向和轴向组件的承载能力和寿命。
与基本额定寿命校核相关时请和我们联系。需要提供速度、载荷和运转周期数据。
静载荷安全系数静载荷安全系数
So用来表明轴承中出现不允许的塑性变形的安全性:
So=Cor/For或Coa/Foa
So 静载荷安全系数
Cor,Coa 径向和轴向基本额定静载荷
For,Foa 轴承的径向和轴向当量静载荷
在机床或相似的应用领域中,So 必须> 4。
极限静载荷图
极限静载荷图可用于:
在轴承主要承受静载荷的情况下快速确定轴承尺寸
计算轴承可承受的轴向载荷之外的倾覆力矩Mk。
极限载荷图是基于滚动体组件的静载安全系数So≥4,以及螺栓和轴承套圈的强度。
选择轴承时,不可超过极限静载荷。具体示例请见下图。
极限转速
轴承的许可极限转速nG如型号参数列表所示。如果环境条件与技术要求有差别,如相邻结构公差、润滑、环境温度、散热,或者与机床的一般运转工况不同,则需要再次检验。请和我们联系。
轴承预载
一旦轴承已经安装并用螺栓固定好,轴承的径向与轴向都无游隙并且带有预载。
温度差
轴和轴承座之间的温度差会影响轴承的径向预载,从而影响轴承布置的运转性能。
如果轴的温度高于轴承座的温度,径向预载会成比例增加,因此会导致滚动体负载增大,轴承摩擦与轴承温度升高。
如果轴的温度低于轴承座的温度,径向预载会成比例下降,轴承游隙增大、刚度降低而且磨损会增加。
摩擦力矩
轴承的摩擦力矩MRL主要受润滑剂粘度和数量以及轴承的预载影响:
润滑剂的粘度和数量 取决于润滑剂等级和工作温度
轴承的预载取决于安装配合、相邻结构的几何精度、内外圈之间的温度差、螺栓的拧紧力矩和安装状态(轴承内圈是单侧还是双侧轴向支撑)。
型号参数列表中的摩擦力矩MRL是脂润滑轴承的统计参考值。
摩擦能量与驱动选型
对于YRT和RTC轴承,必须注意随着速度的提高,摩擦力矩会增加2到2.5倍。
相邻结构设计
YRT、RTC、 YRTS 和ZKLDF具有相同的安装尺寸。
螺栓安装和配合面的几何缺陷都会影响轴承的运转精度、预载和运转特性。因此相邻表面的精度必须与组件的精度要求匹配。
相邻面的公差须在轴承运转公差内。
相邻结构应按照下图进行制造,公差必须符合表1、表2中的数据。任何偏差都会影响轴承的摩擦力矩、运转精度和转动特性。
全国服务热线:13353975709
地址:河南省洛阳市瀍河回族区廛西街道环城北路24号
总机:13353975709传真:17719220183
E-mail:pisilaily@163.com
官方微信
Copyright © 2025-2026 匹司来(洛阳)传动科技有限公司
豫ICP备2025146183号-1
豫公网安备41030402000249号
网站XML
技术支持:尚贤科技