CRBH型 (内圈、外圈均为整体结构,外形尺寸通RB型)
CRBH型 (内圈、外圈均为整体结构,外形尺寸通RB型)
|
|
|
|
|
|
|
|
|
单位:mm |
|
|
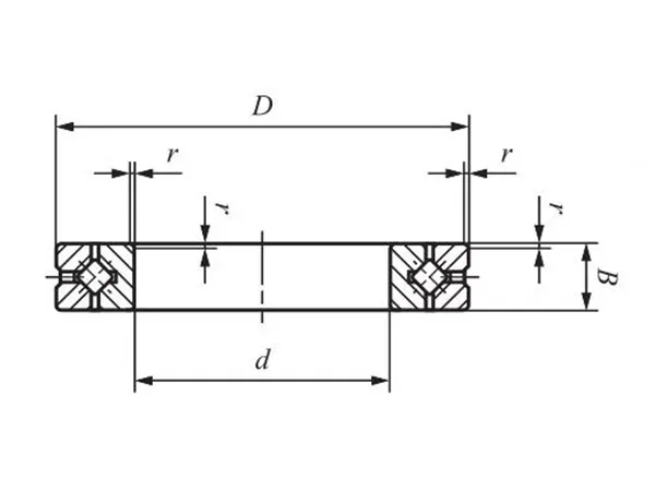
型号 |
主要尺寸 |
轴肩尺寸 |
基本额定载荷 |
质量 |
|||||
|
内径 |
外径 |
高度 |
倒角 |
C |
Co |
||||
|
d |
D |
B |
rmin |
da |
Da |
kN |
kN |
kg |
|
|
CRBH 208 |
20 |
36 |
8 |
0.3 |
24 |
31 |
2.91 |
2.43 |
0.04 |
|
CRBH 258 |
25 |
41 |
8 |
0.3 |
29 |
36 |
3.12 |
2.81 |
0.05 |
|
CRBH 3010 |
30 |
55 |
10 |
0.3 |
36.5 |
48.5 |
7.6 |
8.37 |
0.12 |
|
CRBH 3510 |
35 |
60 |
10 |
0.3 |
41.5 |
53.5 |
7.9 |
9.13 |
0.13 |
|
CRBH 4010 |
40 |
65 |
10 |
0.3 |
46.5 |
58.5 |
8.61 |
10.6 |
0.15 |
|
CRBH 4510 |
45 |
70 |
10 |
0.3 |
51.5 |
63.5 |
8.86 |
11.3 |
0.16 |
|
CRBH 5013 |
50 |
80 |
13 |
0.6 |
56 |
74 |
17.3 |
20.9 |
0.29 |
|
CRBH 6013 |
60 |
90 |
13 |
0.6 |
66 |
84 |
18.8 |
24.3 |
0.33 |
|
CRBH 7013 |
70 |
100 |
13 |
0.6 |
76 |
94 |
20.1 |
27.7 |
0.38 |
|
CRBH 8016 |
80 |
120 |
16 |
0.6 |
88 |
112 |
32.1 |
43.4 |
0.74 |
|
CRBH 9016 |
90 |
130 |
16 |
0.6 |
98 |
122 |
33.1 |
46.8 |
0.81 |
|
CRBH 10020 |
100 |
150 |
20 |
0.6 |
110 |
140 |
50.9 |
72.2 |
1.45 |
|
CRBH 11020 |
110 |
160 |
20 |
0.6 |
120 |
150 |
52.4 |
77.4 |
1.56 |
|
CRBH 12025 |
120 |
180 |
25 |
1 |
132 |
168 |
73.4 |
108 |
2.62 |
|
CRBH 13025 |
130 |
190 |
25 |
1 |
142 |
178 |
75.9 |
115 |
2.82 |
|
CRBH 14025 |
140 |
200 |
25 |
1 |
152 |
188 |
81.9 |
130 |
2.96 |
|
CRBH 15025 |
150 |
210 |
25 |
1 |
162 |
198 |
84.3 |
138 |
3.16 |
|
CRBH 20025 |
200 |
260 |
25 |
1 |
212 |
248 |
92.3 |
169 |
4 |
|
CRBH 25025 |
250 |
310 |
25 |
1.5 |
262 |
298 |
102 |
207 |
4.97 |
|
CRBH 30025 |
300 |
360 |
25 |
1.5 |
312 |
348 |
112 |
245 |
5.29 |
全国服务热线:13353975709
地址:河南省洛阳市瀍河回族区廛西街道环城北路24号
总机:13353975709传真:17719220183
E-mail:pisilaily@163.com
官方微信
Copyright © 2025-2026 匹司来(洛阳)传动科技有限公司
豫ICP备2025146183号-1
豫公网安备41030402000249号
网站XML
技术支持:尚贤科技